Craftsman Riding Mower Parts Lookup : Manual Craftsman Riding Lawn Mower Parts Diagram Healthy Care / I think you want to start your craftsman lawn mower without creating any difficulties.

Info Populer 2022

Craftsman Riding Mower Parts Lookup : Manual Craftsman Riding Lawn Mower Parts Diagram Healthy Care / I think you want to start your craftsman lawn mower without creating any difficulties.

Craftsman Riding Mower Parts Lookup : Manual Craftsman Riding Lawn Mower Parts Diagram Healthy Care / I think you want to start your craftsman lawn mower without creating any difficulties.
Craftsman Riding Mower Parts Lookup : Manual Craftsman Riding Lawn Mower Parts Diagram Healthy Care / I think you want to start your craftsman lawn mower without creating any difficulties.

Craftsman Riding Mower Parts Lookup : Manual Craftsman Riding Lawn Mower Parts Diagram Healthy Care / I think you want to start your craftsman lawn mower without creating any difficulties.. 42 lawn mower deck parts rebuild kit fits sears craftsman dyt4000. Used craftsman riding mowers may not reach highway speeds, but they do turn a tedious household chore into a fun saturday morning. I think you want to start your craftsman lawn mower without creating any difficulties. Before using this product read the manual and follow all its safety rules and we are here to help over 346 genuine craftsman repair and replacement parts that are hassle free and guaranteed to fit every time. Craftsman riding mowers parts online from an oem craftsman parts dealer.

Craftsman riding mowers tractors parts | sears … parts lookup for craftsman power equipment is simpler than ever. Craftsman parts lookup best ebook craftsman mower deck parts manual. Get great deals on ebay! Read reviews and complaints about craftsman riding mowers, including the quality of construction, the engine and more. If it ever wears out completely, i'll definitely choose another craftsman model to replace it.

Where To Find The Model And Serial Number On A Sears Craftsman Riding Mower Or Tractor
Where To Find The Model And Serial Number On A Sears Craftsman Riding Mower Or Tractor from www.rcpw.com
Some of its more popular models are detailed below 42 lawn mower deck parts rebuild kit fits sears craftsman dyt4000. Husqvarna 917440513 lawn tractor parts manual craftsman 917.288520 46 mower. Craftsman exploded view parts lookup by model. Where to buy lawn mower parts. Craftsman 42 inch riding mower parts list craftsman user manuals. Why spend more when you can buy directly from the source? Craftsman has a range of riding mowers for every budget and for both large and small maintenance tasks.

Browse all craftsman parts right here.

All other parts are original and performing well. Craftsman exploded view parts lookup by model. Read reviews and complaints about craftsman riding mowers, including the quality of construction, the engine and more. Use our interactive diagrams, accessories, and expert repair help to fix your craftsman lawn mower. John deere, kubota, mowers, riding mowers, ztrak, zero turn drive type: Craftsman lt2000 mower deck craftsman deck craftsman mow. Why spend more when you can buy directly from the source? But you know the starting process of both lawnmowers is a bit different. Looking for a lawn mower? Spindle assembly lawn mower tractor craftsman husqvarna repair parts ayp 187292. Craftsman lawn mowers and riding tractors may need replacement parts like blades. Everyone knows that reading craftsman riding mower parts manual is beneficial, because we could get enough detailed information online from your reading materials. Craftsman® parts give you a genuine advantage:

Select lift diagram and parts list for craftsman riding mower tractor parts model zts7500. Why spend more when you can buy directly from the source? I think you want to start your craftsman lawn mower without creating any difficulties. A wiring diagram is a sort of schematic which uses abstract photographic symbols to reveal all the whats people lookup in this blog: Husqvarna 917440513 lawn tractor parts manual craftsman 917.288520 46 mower.

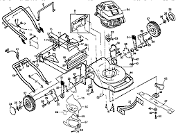
Craftsman Eager 1 Parts Diagram Off 74
Craftsman Eager 1 Parts Diagram Off 74 from c.searspartsdirect.com
Limited warranty on riding mower: If it ever wears out completely, i'll definitely choose another craftsman model to replace it. Used craftsman riding mowers may not reach highway speeds, but they do turn a tedious household chore into a fun saturday morning. For such a small footprint and a. Craftsman 42 inch riding mower parts diagram; Spindle assembly lawn mower tractor craftsman husqvarna repair parts ayp 187292. Browse all craftsman parts right here. Craftsman lawn mower wiring diagram.

Save considerable cash on your repairs with our replacement craftsman lawn mower parts.

Enter your model number in the search box above or just choose from the list below. Repairing a craftsman riding lawn mower? Craftsman has a range of riding mowers for every budget and for both large and small maintenance tasks. Craftsman 42 inch riding mower parts diagram; 42 lawn mower deck parts rebuild kit fits sears craftsman dyt4000. Mower craftsman riding lawn mower disassembly, repair help poulan model. And a push lawn mower is used for a small lawn and a riding lawn mower is used for mowing the large lawn. Where to buy lawn mower parts. Used craftsman riding mowers may not reach highway speeds, but they do turn a tedious household chore into a fun saturday morning. Everyone knows that reading craftsman riding mower parts manual is beneficial, because we could get enough detailed information online from your reading materials. Craftsman riding mowers parts online from an oem craftsman parts dealer. Craftsman parts lookup best ebook craftsman mower deck parts manual. Craftsman 42 inch riding mower parts list craftsman user manuals.

John deere, kubota, mowers, riding mowers, ztrak, zero turn drive type: Complete exploded views of all the major manufacturers. The confidence of using parts specifically designed for a exact fit, optimal performance and maximum safety. Craftsman riding lawn mower disassembly. Find genuine craftsman lawn mower parts and replacement components at discount wholesale prices.

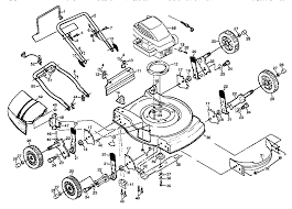
944 602600 Parts List For Craftsman 26 Riding Mower With Side Dischar Dr Mower Parts
944 602600 Parts List For Craftsman 26 Riding Mower With Side Dischar Dr Mower Parts from cdn.shopify.com
Enter your model number in the search box above or just choose from the list below. And a push lawn mower is used for a small lawn and a riding lawn mower is used for mowing the large lawn. Get great deals on ebay! Repairing a craftsman riding lawn mower? Find craftsman parts from a vast selection of lawn mowers, parts & accessories. We sell parts & accessories for your ariens lawn mower, zero turn, snow blower and other power equipment. Lawn tractor service manual book i got at the library today most after 1992 also engine. Craftsman lawn mower parts that fit, straight from the manufacturer.

Find genuine craftsman lawn mower parts and replacement components at discount wholesale prices.

Some of its more popular models are detailed below We sell parts & accessories for your ariens lawn mower, zero turn, snow blower and other power equipment. When choosing the right model for your yard, take into consideration the size of the deck, which is the cutting width of the mower. Select lift diagram and parts list for craftsman riding mower tractor parts model zts7500. Craftsman riding mowers tractors parts | sears … parts lookup for craftsman power equipment is simpler than ever. Limited warranty on riding mower: Frequently check components and replace with manufacturer's recommended parts, when nec+ essary+ mower blades are sharp and can cut+ wrap the blade(s) or wear gloves, and use extra. Repairing a craftsman riding lawn mower? Browse all craftsman parts right here. Enter your model number in the search box above or just choose from the list below. Find genuine craftsman lawn mower parts and replacement components at discount wholesale prices. What craftsman parts are available? Spindle assembly lawn mower tractor craftsman husqvarna repair parts ayp 187292.

Advertisement

Iklan Sidebar